主要用途及適用范圍
為防止回液管路故障性壓力增高,造成支架自動卸載,因此在支架回液管路中安裝一個交替閥。如支架推移油路用交替單向閥,以達到推移千斤頂浮動功能作用。用交替閥保證使本架的回液順利流入回液管路,且阻止回液管的液流返回本架。該閥的工作原理是當給液壓支架供液時,液流打開交替單向閥閥芯,同時關閉回液口,乳化液經(jīng)交替單閥進液口進入工作單元。當需回液時,交替單向閥在不供液時進液口是關閉,回液口常開的。乳化液可直接從回液口流入回液管路。
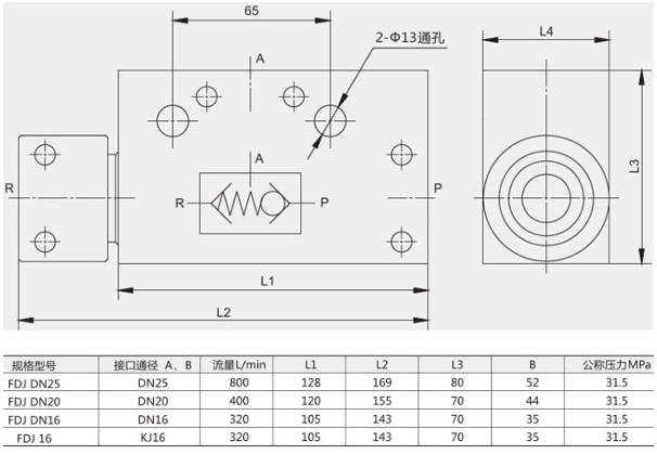
結(jié)構(gòu)特點
交替換向性能可靠閥芯自動復位回液阻力小。適用于大缸徑立柱的快速回液。

華東礦用設備有限公司 2022 版權(quán)所有 皖ICP備20009527號-1